分类:新闻中心 发布时间:2024-10-14 1676次浏览
1653系列经济型函数任意波形发生器,通过多通道、深存储、高质量的产品设计有效解决教育科研、工业测试、医疗电子等场景中用户高性价比复杂波形信号生成问题,满足多样化的信号激励应用需求。
1、丰富的带宽配置、更多的输出通道数量
1653系列函数任意波形发生器包含120MHz、250MHz、350MHz、500MHz、1GHz和3.2GHz 6种带宽机型,满足客户不同输出信号频率的信号发生需求。500MHz带宽及以下型号支持2或4个输出通道,通道之间可复制输出,如CH2=~CH1、CH2=CH1,CH2=CH1+CH2等。
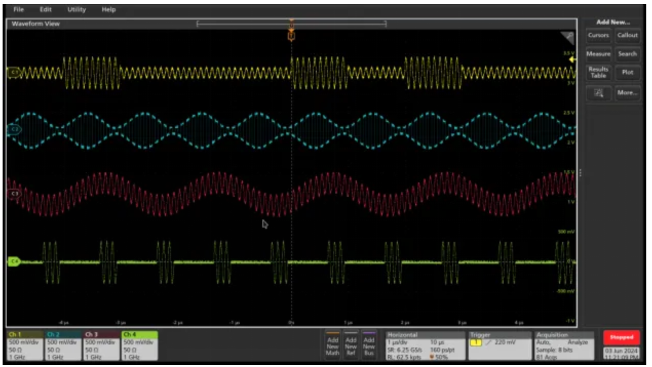
图1 AWG通道间信号耦合 2、深存储任意波形生成 每通道内置不低于512样点存储深度的任意波形,其中RFAWG支持2G样点IQ基带数据,多可划分为为1024个波形序列;采样率可以在143Sa/s~1.2GSa/s或143Sa/s~2.5GSa/s之间任意设置。 3、多样化的函数波形及调制信号输出 支持正弦、方波、三角、上锯齿、下锯齿、脉冲、噪声、DC、PRBS函数波形生成;支持AM、DSB、FM、PM、SUM、ASK、FSK、BPSK调制以及SWEEP、BURST等功能,内置多种制式调制源以及外部调制源。 图2 AWG多种信号发生 4、大幅度输出 更大24Vpp(@开路)输出幅度,内置宽带信号的幅频响应修正,可保证大瞬时带宽信号输出的平坦度。 图3 信号输出幅度 5、直接射频信号生成 1653BA支持DAC直接生成200kHz~3.2GHz的射频信号,加之内置的20余种调制方式及240MHz的调制带宽,可替代传统“基带源+上变频器”的宽带射频信号输出方案,以更低的成本即可获得的EVM和信号质量。 图4 RFAWG生成高质量调制信号



是德科技E5080B 矢量网络分析仪keysight E50...
—— Contact number




扫码添加微信
13862598742