13862598742

北京全新一代经济型9GHz矢量网络分析仪3657系列

分类:新闻中心 发布时间:2024-03-28 3803次浏览

新一代经济型矢量网络分析仪3657系列产品,该系列网分频率范围覆盖9kHz~9G...

新一代经济型矢量网络分析仪3657系列产品,该系列网分频率范围覆盖9kHz~9GHz。


新一代经济型矢量网络分析仪3657系列基于台式CPU架构设计;具有USB、LAN、HDMI、DP等多种接口;实现误差校准、时域、夹具仿真器、自动夹具移除、时域分析等多种功能;具备对数幅度、线性幅度、驻波、相位、群延时、Smith圆图、极坐标等多种显示格式。可快速、地测量被测件S参数的幅度、相位和群延迟特性。


3657系列在操作体验方面更简单直观、测量更快速准确,专为无线通信、有线电视、教育及汽车电子等领域的工程师而精心设计,可广泛应用于滤波器、放大器、天线、电缆、有线电视分接头等射频元件的性能测量。
3657系列矢量网络分析仪相较于3656系列产品进行了全面提升,主要性能提升如下:

1711592793894783.png


3657系列矢量网络分析仪在3656的基础上进行了频段扩展,动态范围与扫描速度等核心性能有了显著提高,增加四端口选件,并具备时域分析功能,可全方位地满足用户的不同测试需求。产品提供2端口和4端口两种机型,上架式(2U)和台式(5U)两种形态,用户可以根据测试需求选择不同的款式机型。


1711592852808231.png

3657A/B/BS矢量网络分析仪

1711592879902145.png

3657AM/BM矢量网络分析仪


典型应用:
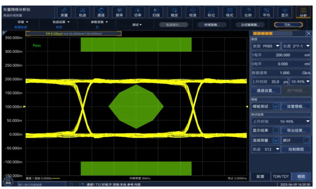
信号完整性的快速分析
时域分析功能基于网络参数的虚拟眼图生成及分析。可以在仿真眼图上施加抖动、噪声等干扰,通过预加重和均衡等校正算法的加入,模拟真实环境下高速链路不同位置的仿真眼图。


1711592920686974.png


快速高抑制比测量
具有高达140dB(IFBW=10Hz)的动态范围,4us/point的测试速度,可以应用在高速线缆测试、芯片产线测试、滤波器调测等领域,非常适合工厂的批量生产测试工作,能够提高测量反应速度,提升测量效率。


1711592942689496.png


无源多端口器件和平衡器件测试
3657系列矢量网络分析仪具备四端口测试功能,单次连接即可实现四端口网络全部16个S参数测量,非常适合工厂的多端口器件大批量生产测试工作;具有平衡参数测量功能。


1711592966367353.png


新利通提供销售,租赁,维修,升级,校准等专业服务。

相关推荐

—— Contact number

联系方式13862598742